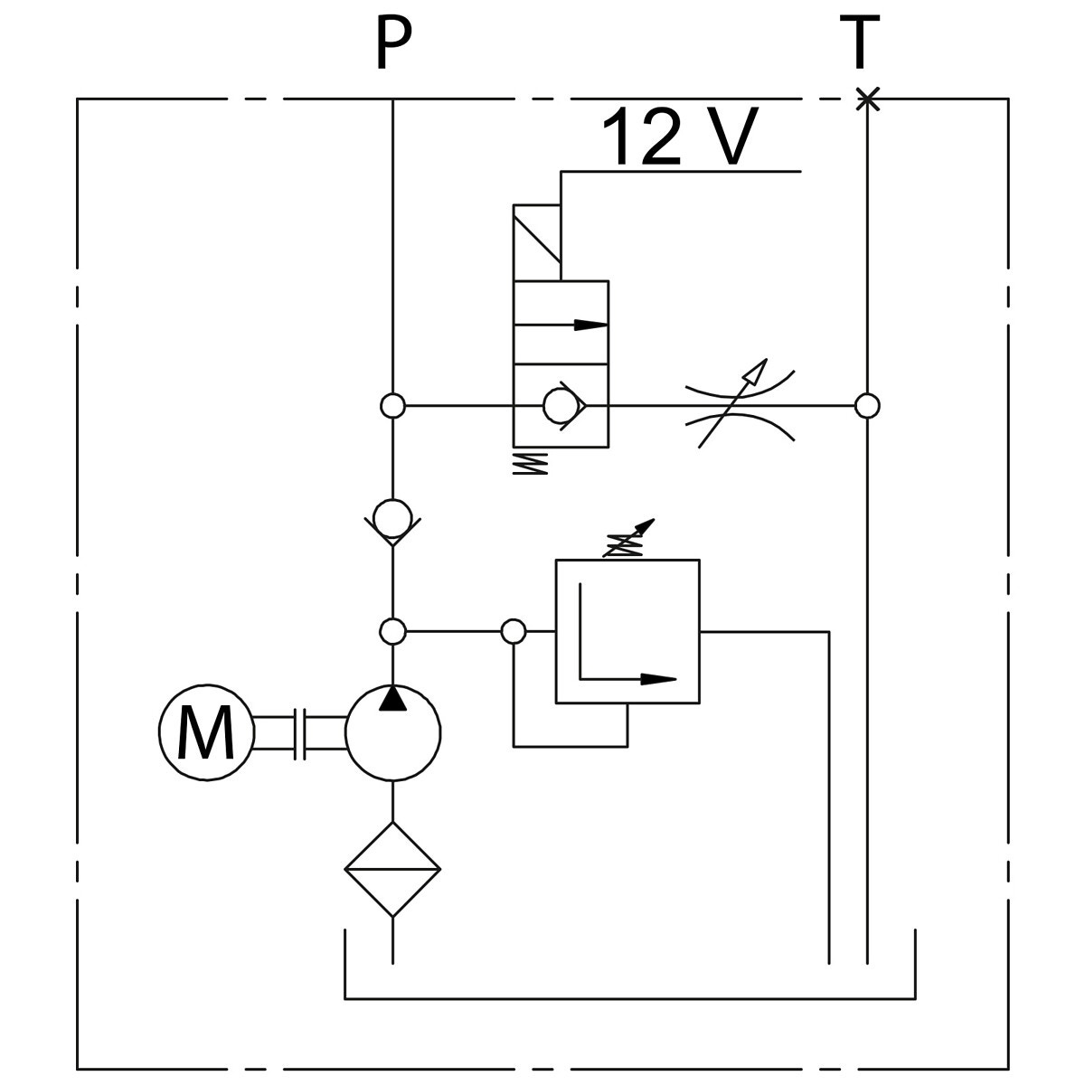
PUMPSTATION 1.6KW 12V 6L 1-VERKANDE+FJÄRRKONTROL
Art. nr: HMK160812V1T-EC
Art. nr: HMK160812V1T-EC
- singelverkande kraftenhet
- lasthållningsventil och flödesregleringsventil för returnlinje
- justerbar tryckreduceringsventil
- styrenhet med 2 m kabel
- motor 1,6 kW / 12 V DC
- pump 2,1 cm³
- flöde 5,25 l/min (2500 rpm)
- behållare 6 l, horisontell montering
- max. arbetstryck 155 bar
- P/T-port G 3/8"
- lasthållningsventil och flödesregleringsventil för returnlinje
- justerbar tryckreduceringsventil
- styrenhet med 2 m kabel
- motor 1,6 kW / 12 V DC
- pump 2,1 cm³
- flöde 5,25 l/min (2500 rpm)
- behållare 6 l, horisontell montering
- max. arbetstryck 155 bar
- P/T-port G 3/8"